Gamme : 25 à 250 kg
La capteur de pesage PL-50 est en INOX a haute performance. Utilisation en environnement marin et agro-alimentaire. Sa petite taille conjugué d'une haute précision et d'un prix bas, font de ce capteur un idéal pour les plateformes de pesage mono-capteur et petites trémies.
- #FONCTIONNALITÉS#
• Capacités : 25, 50, 75, 100, 150, 200 , 250 kg
• Construction en acier inoxydable
• OIML R60 4000 d et NTEP approuvés
• Protection IP67 ( existe en IP68 en option nous contacter )
AVANTAGES
Faible hauteur.
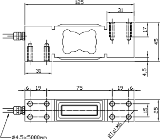
Attention : Montage par 4 +4 vis M6
Large gamme de pesage.
La construction INOX hermétique.
Garantie constructeur 2 ans.
OPTION
ATEX : EEx ia IIC T6 autorisation des zones dangereuses
FM approbation disponible
APPLICATIONS
• Petite trémie de
• Plateforme à mono-capteur
HOMOLOGATION
- #CARACTERISTIQUES#

- #Documentations#

Capteur pesage PL-50
|