Capteur de poids double cisaillement en INOX ( Peson)
Spécialement conçu pour le pesage en toute sécurité de cuves, silos et trémie de forte capacité. Le capteur avec son environnement intègre un dispositif d'anti-soulèvement et des butées latérales de forte capacité intégrées. Montage auto-stable offre une grande précision de pesage en permettant la dilatation du réservoir.
|

|
FONCTIONNALITÉS
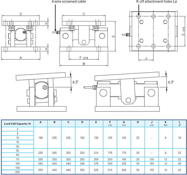
- Capacités 5 t à 100 t
- Environnement en ACIER peiture epoxy ou INOX avec sécurité anti-soulèvement intégrale
- Capteurs Inox hermétiquement scellés protection IP 69
- Approbation ATEX toutes zones : gaz et poussières
- Garantie 5 ans
AVANTAGES
- Mise en place facile par simple boulonnage des plaque inférieur et supérieur.
- Principe auto-stable et auto-centreur
- sécurité anti-soulèvement
- Verin de levage
- Note de calcule anti-sismique
OPTION
ATEX : EEx ia IIC T6 autorisation des zones dangereuses
APPLICATIONS
- Pesage de trémie et silo de forte capacité.
- Bascule et Plateforme de pesage
|
|

|
HOMOLOGATION
|
|